|
This file is available on a Cryptome DVD offered by Cryptome. Donate $25 for a DVD of the Cryptome 10-year archives of 35,000 files from June 1996 to June 2006 (~3.5 GB). Click Paypal or mail check/MO made out to John Young, 251 West 89th Street, New York, NY 10024. Archives include all files of cryptome.org, cryptome2.org, jya.com, cartome.org, eyeball-series.org and iraq-kill-maim.org. Cryptome offers with the Cryptome DVD an INSCOM DVD of about 18,000 pages of counter-intelligence dossiers declassified by the US Army Information and Security Command, dating from 1945 to 1985. No additional contribution required -- $25 for both. The DVDs will be sent anywhere worldwide without extra cost. | |||
28 February 2006
James Atkinson (www.tscm.com):
I have a method of faking the remote control codes and/or passwords for the Spectronics (DK) line of eavesdropping devices.
This allows a TSCM specialist the ability to "blink" a Spectronics bugging device on for a second or two to detect it, and then to shut it back down before the eavesdropper catches on to the fact that his bugging device has just been caught. There is a small number of 12 bit "house" activation codes that can be run though in less than a second, but they are only 6-8 in total. If you can't hit it with the basic sequence then you will have to run though the full 12 bit sequence which will till take you less than ten minutes. The signal is transmitted at 433.92 MHz as a AFSK data stream so most of you will have no problem getting the bug to give itself up (cracks about Prom dresses not withstanding).
The entire RF TRANSIT section shuts down when these things go into sleep mode, but the RECEIVE section stays awake on monitors the command channel all the time. The bugs are EXTREMELY easy to find them if you can use the bypass codes (less than a second), or the full sequence (less then 10 minutes) due to the small size of the activation key, and known activation frequency. You can also find these little bugs by purchasing 8 ea car alarm remote (12+ bits) and simply pressing the button of each remote in sequence. You will need to reprogram in each of the remote activation codes into the remote, but your only talking about a sequence that is two bytes long (please stop laughing at such a simple method to find them).
A company called Oregon Scientific and Davis Instruments makes a line of Wireless Digital Thermometers that operate on the same frequency as, use the same bit stream as, and operate similar to these Spectronics Eavesdropping devices. The only problem with these thermometers is that if you have a Spectronics eavesdropping system nearby you run the risk of accidently activating the eavesdropping device during a bug sweep as the weather changes (cough-cough, nudge-nudge, wink-wink). Hand held code grabbers used by the car alarm and garage door opener industry also make short work out of tracking these devices, but their possession and/or use may cause legal issues.
To run through the entire sequence of house command signals you only need to spit out 128 bits of data, or 16 characters. This is important as you can also use a wireless keyboard that operates at 433.92 MHz which uses the same format and merely type in the 16 character "all on" sequence via the keyboard, but using the car alarm remote is a little easier. If you end up having to search for all 12 bit variations then you wouldn't want to use the car alarm method and would need something that could tumble the entire sequence.
Spectronics is not the only company to use either this frequency, nor are they the only ones to use the 12 bit activation code. If you really want to take an eavesdropper to the ground you can issue the same sequence at 310 MHz, and 916 MHz at the same time you were transmitting the 433 MHz codes.
Here is the command structure, so if somebody wants to really play with the remote controls that will need to pulse out the following (it is a four bit command word, in addition to the addresing word of 12 bits).
0 TX on
1 TX off (factory default)
4 TX audio scrambler on
5 TX audio scrambler off (factory default)
A TX OOF-HOOK defeated (factory default)
B TX with OFF-HOOK control, line voltage = 10V DC
C TX with OFF-HOOK control, line voltage = 20V DC
D TX with OFF-HOOK control, line voltage = 40V DC
E Start up state after DC removal: TXoff
F Start up state after DC removal: Same as before DC removal (factory default)
The "scrambling" used by the audio circuit eavesdropping system is simple frequency inversion that many scanners can monitor, or which anybody can decode and listen to on a PC. Anybody who is in the middle of a bug sweep and who hears the characteristic "Donald Duck" over their TSCM equipment knows that they are on to the trail of a live bug, and they will not sleep for days until they find the thing.
Here is a photograph of the actual bugging devices, the physical dimensions
of this module is 35 x 23 x 8 mm (just under 1.5 cubic inches of volume)
for the first picture device and 31x19x6.1 mm for the other pictured
devices.




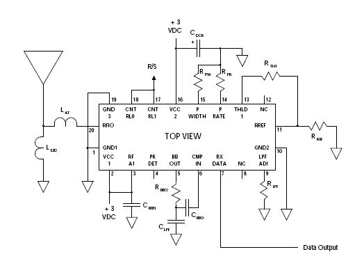
Here is a suitable transmitter circuit for the remote controller, based on
the RFM TX5000 module:

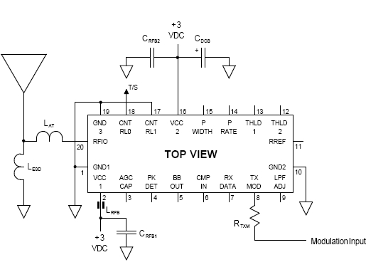
Here is a schematic for the receiver section of the bug, any engineering
student will notice a serious design anomaly that can be exploited by the
TSCM professional to hunt these devices down:



Here is a distributor listing for $3.00 modules that can be purchased and
programmed to wake these devices up and then put them back to sleep:

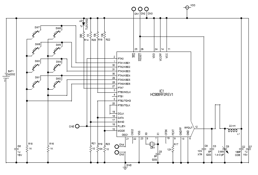
Here is a schematic for a garage door opener/prototype that can be used to
coax one of these eavesdropping modules to wake up and give itself up:

----------------------------------------------------------------------------------------------------
We Expertly Hunt Real Spies, Real Eavesdroppers, and Real Wiretappers.
----------------------------------------------------------------------------------------------------
James M. Atkinson Phone:
(978) 546-3803
Granite Island Group Fax: (978) 546-9467
127 Eastern Avenue #291 Web:
http://www.tscm.com/
Gloucester, MA 01931-8008 Email: mailto:jmatk[at]tscm.com
----------------------------------------------------------------------------------------------------
World Class, Professional, Ethical, and Competent Bug Sweeps, and
Wiretap Detection using Sophisticated Laboratory Grade Test Equipment.
----------------------------------------------------------------------------------------------------